3beep AI CRM
Эволюция продукта — от омниканального чата до AI-экосистемы для автодиллеров в США
2022 - 2024
Роль: Lead Product Designer
Команда: Разработчики, Продакт менеджер, CTO
Период работы: Полный цикл разработки и масштабирования продукта
Платформы: Web, App (iOS/Android)
Аудитория: Менеджеры и руководители в диллер центрах СНГ и США, операторы связи в вузах и сетевом бизнесе
Продуктовая вертикаль: Comms, автоматизация коммуникаций — платформа объединяет омниканальный чат, AI-ассистентов, CRM и конструктор ботов
Бизнес-модель: SaaS (Software as a Service), B2B, B2B2C
Продуктовый контекст
В начале 2022 года проект представлял собой работающее MVP омниканального чата для менеджеров с интеграцией социальных сетей.
На момент моего подключения продукт уже использовался клиентами в Казахстане — вузами, сетевым бизнесом и крупным интернет-провайдером. Платформа находилась на стадии активного развития с целью выхода на рынок США (Калифорния).
Ключевой вызов и начало работы
Моей задачей стал комплексный редизайн платформы с параллельным расширением функциональности и пересмотр архитектуры продукта, которая не соответствовала новым бизнес-целям, при сохраняя работоспособность системы для текущих клиентов. Это требовало глубокого погружения в продукт и тщательного планирования миграции на новую архитектуру.
🔓 Система ролей
В продукте уже присутствовала система ролей в виде админ - менеджер, мы расширили функционал и бизнес-логику, в связи с этим была проведена доработка взаимосвязей ролей и их типов.
Была реализована система разграничения прав, охватывающая четыре уровня доступа: менеджер, руководитель, администратор и супер-администратор. Для каждой роли был разработан уникальный User Flow с соответствующей функциональностью — от базового общения с клиентами до модулей аналитики и управления подписками.
Я тесно взаимодействовала с продакт-менеджером по документированию бизнес-логики, что обеспечило консистентность интерфейсов и упростило процесс разработки.
Редизайн
Архитектура
🧬
Дизайн-система
🖇️
Архитектура 🧬 Дизайн-система 🖇️
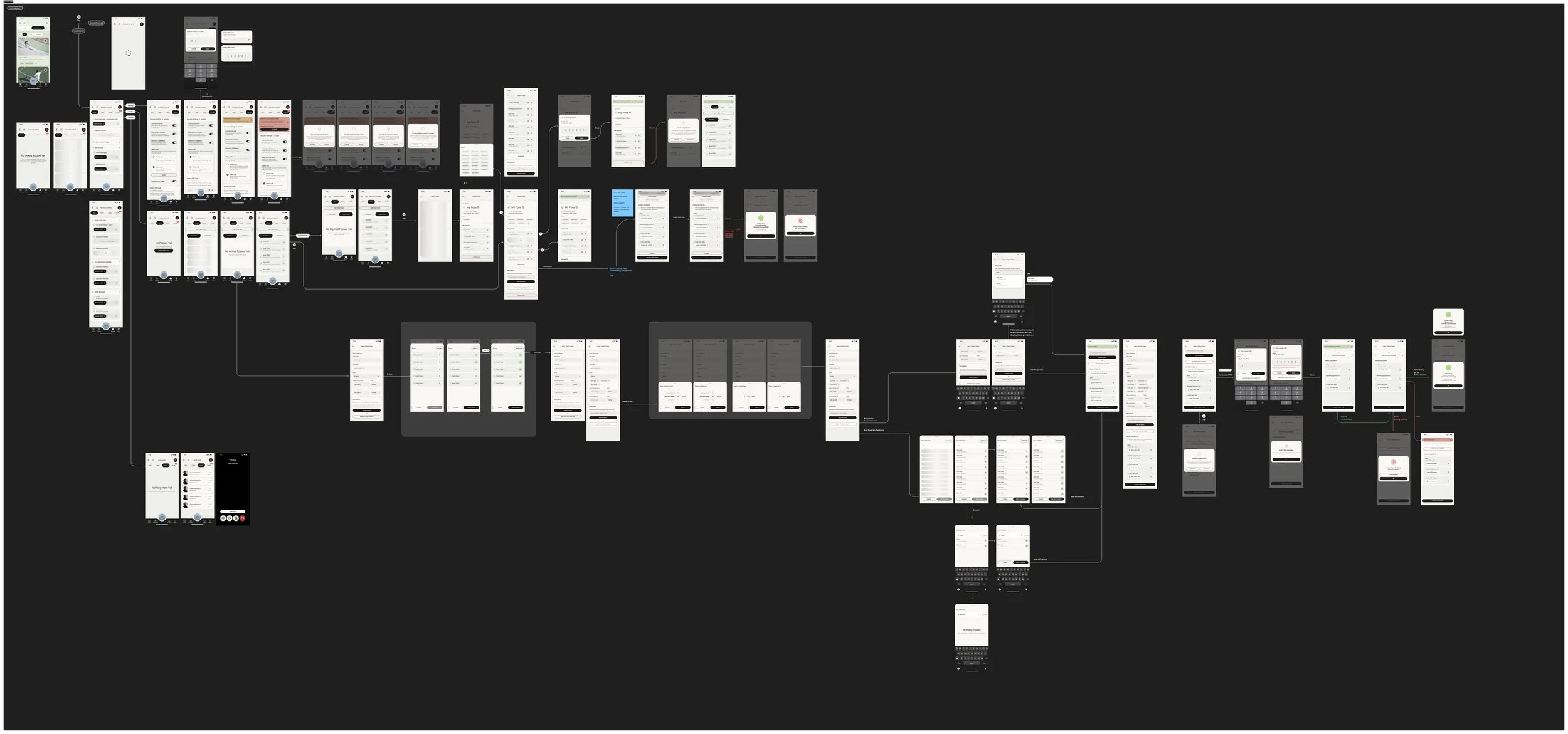
Я переработала визуальный язык и интерфейсную логику платформы.
Это позволило непротиворечиво добавлять функциональные блоки и масштабировать продукт. В тесном взаимодействии с разработчиками и CEO я участвовала в изменении продуктовой архитектуры, чтобы она могла вмещать в себя новые функции и отвечать потребностям бизнес-стратегии .
Схема ссылок в макете Figma в MVP версии 3beep.
Настройки. Пример компоновки макетов в Figma.
Мульти аккаунт. Пример компоновки макетов в Figma.
Пример компоновки макетов в Figma.
Скетчи. Функционал «Массовые рассылки»
🕹️ No-code конструктор
Новым элементом платформы стал разработанный нодовый конструктор сценариев ботов. После исследования международных аналогов я создала интерфейс для построения сложных диалоговых цепочек с ответами на вопросы, отправкой документов, интеграциями и ветвлениями.
Для валидации решений я проводила коридорное тестирование, выезжала к клиентам и последовательно дорабатывала интерфейсы на основе обратной связи.
В процессе развития платформы конструктор трансформировался, а в некоторых версиях он отсутствовал или заменялся другими видами настроек ботов, так как продукт рос и развивался вместе с Ai отраслью.
Архитектура макетов конструктора ботов в Figma
Описание взаимодействия с элементом интерфейса Edge
Описание взаимодействия с элементом интерфейса Edge
Тестирование бота в интерфейсе платформы
Мобильное приложение 3beep
После запуска основной веб-платформы мы сфокусировались на создании мобильного приложения, которое дало бы менеджерам возможность работать с клиентами в любом месте. Приложение содержало ключевые функции для повседневных задач: общение в чатах, просмотр встреч, запланированных ИИ или руководителем, и управление задачами.
Вместе с продакт-менеджером мы провели анализ рынка и определили оптимальный набор функций. В итоговый вариант вошли чаты с автоматической эскалацией сложных вопросов к боту, календарь встреч и персональный органайзер задач.
Проектирование виджета
Для интеграции с сайтами клиентов был разработан компактный виджет, обеспечивающий непрерывный цикл коммуникации — от автоматического общения с ботом до перехода к менеджеру.
Основной задачей стало создание максимально облегченного, но полнофункционального интерфейса, использующего устоявшиеся пользовательские паттерны взаимодействия с чат-виджетами.
Таблица сравнения функционала конкуретнов
Сравнение конкурентов и референсы
Исследование процесса настроек виджета на платформах конкурентов
Один из этапов настройки виджета
За время моего участия продукт эволюционировал до многофункциональной AI-экосистемы. Мы добавили интеграцию с системами складского учета, AI-календарь для автоматического планирования встреч и тест-драйвов, а также сфокусировались на новой ЦА — автодилерах в США.
Эволюция и результаты
Платформа объединила в себе единый поток коммуникаций из целевых каналов, AI-ассистента для общения с клиентами, интеллектуальное планирование встреч и задач, и множество специфичных функций для сферы автобизнеса.
Моя глубокая вовлеченность в жизненный цикл разработки — от проектирования и описания логики до фронтенд-ревью и тестирования обеспечила целостность и качество реализации сложной, многоуровневой системы.
Hard Skills
Продуктовый дизайн
UX-архитектура
Дизайн-системы
No-code интерфейсы
Кросс-платформенный дизайн
User Research
Прототипирование
Тестирование интерфейсов
Информационная архитектура
Дизайн-документация
Лидерство
Кросс-функциональная коммуникация
Проактивность
Стратегическое мышление
Работа с неопределенностью
Клиентоориентированность
Принятие решений на основе данных
Soft Skills